Indspil gennem DR P3’s gamle pult

Mærk historiens vingesus, når du optager eller mixer gennem et stykke dansk radiohistorie

Sublim lyd

De fleste lydteknikere ved, at hvis man skal have analog-grej af allerhøjeste kvalitet, så er en god strategi at få fingre i gammelt udstyr fra de store radiostationer. I Danmark og norden har der været tradition for, at små virksomheder håndbyggede udstyr af utroligt høj kvalitet til TV- og radiostationer. TV og radio-produktion stiller meget høje krav det udstyr, der bruges - og ofte har der været tale om specialbestillinger på udstyr, som er blevet håndbygget til forskellige formål med de bedste komponenter. Man kan blandt andet nævne NP Elektroakustik, DISA, NTP, Orland og Elberg-ELT blandt de danske legender, der har bygget dette grej.

Rene signalveje og robusthed har været i højsædet, og derfor finder man også stadig masser af dette gamle udstyr i funktionel stand - og i brug i professionelle lydstudier.

Denne pult kombineret med vores mere karakterfulde analoggear udgør et meget fleksibelt udgangspunkt for både recording og hybrid-mixing - alle fordelene ved en large format console uden mange af ulemperne. Det fås simpelthen ikke bedre.

Historie

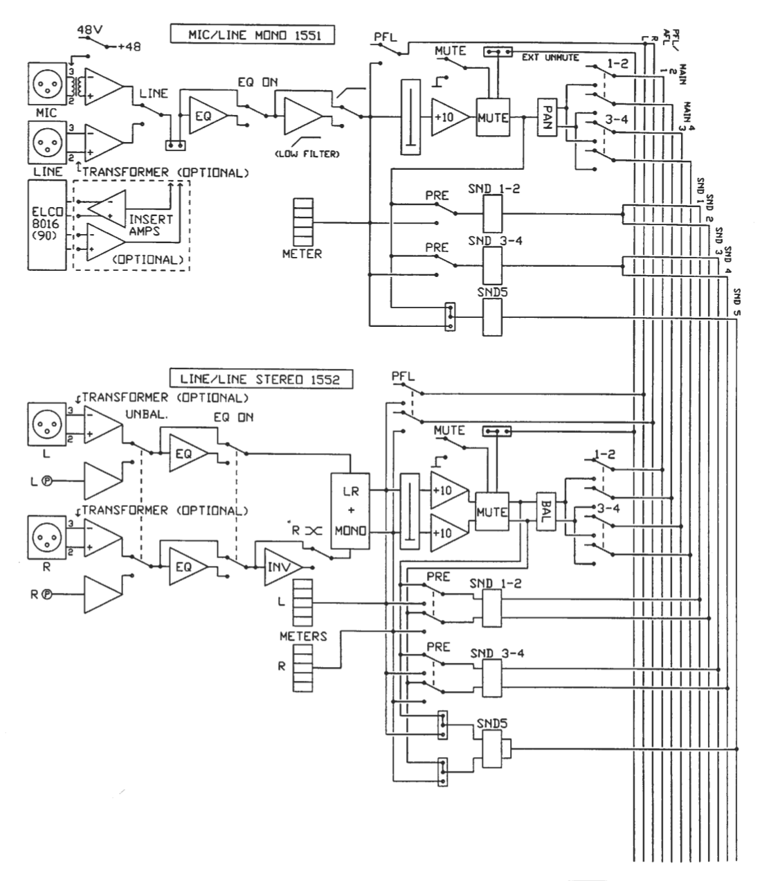
Denne håndbyggede Elberg BC15 pult var én af fem pulte, som blev leveret til Danmarks Radio i begyndelsen af 2002, og som blev brugt til at sende P3. Pulten overholder de nordiske radiofoniers normblade N9 og N10 (4. edition), og bruger en tilpasset version af Elbergs højt besungne MP2/MP8 preamps (se fx dette review der sammenligner med Neve og SSL) samt Elbergs eget EQ-design.

Pulten er modulopbygget og forskellige kanaler kan placeres som man vil i de 12 tilgængelige “slots”. Dette er en meget bekostelig måde at bygge pulte på, men som har store fordele bl.a. ift. at lette reparationer. Alle mic kanaler og main udgange er bestykket med Lundahl-trafoer produceret i Sverige, således at pulten bl.a. har kunne drive radioens APL (Abonnentens Privat Ledning - en telefonlinie anvendt mellem radio og sender).

Disse pulte stod i “Continuity” i Radiohuset, og var sidste led i kæden inden signalet ramte danskernes ører - indtil 2008 hvor DR overgik til digitale systemer. Således er denne mixer nok en af de maskiner i Danmarkshistorien, der har haft flest hits gennem elektronikken.

Modifikationer

Pulten har undergået en række forandringer siden den sad i Radiohuset og distribuerede musik til danskerne. Der er gennem årene blevet tilføjet mono mic-kanaler og lavet om i pultens setup, således at der nu er 8 mono mic kanaler og 4 stereo line kanaler at gøre godt med. Vi råder desuden over 6 yderligere stereokanaler.

Vi har ved overtagelsen fået indbygget direct outs fra mic kanaler af Elberg selv, så pulten kan bruges til tracking. For at foranledige dette er DR’s gamle D-sub stik til ekstern digitalkontrol blevet skiftet ud med et ELCO/EDAC stik med mulighed for op til 8 direct outs. Vi har også fået bygget et ekstra mono mic modul for at komme op på 8 preamps.

Derudover er pulten blevet gennemtjekket, renoveret og renset - bl.a. er trykomskiftere, potmetre og andre dele med knas blevet renset grundigt, og alle fadere gennemgået og smurt manuelt.

Således er pulten nu i en tilstand, hvor den kan bruges til op til 16 kanalers multichannel indspilning (8 mic + 8 line) og op til 21 kanalers analog mixing/summing. Desuden muliggør den bl.a. analog zero-latency monitoring, talkback-system, 5 analoge sends og monitorering direkte fra DAW.

Record mode

Pulten kan sættes i record mode ved at “LINE”/”UNBAL” omskifteren på hver kanal er inaktiv, og at Ext A er aktiv. Dette betyder, at kanalerne tager signal fra studiets mic lines, og at kanalernes preamps er aktive.

I dette mode kan kanal 1-8 anvendes til at multitrack-indspille op til 8 mikrofon-signaler. Hver kanal føder post-fader direkte ind i studiets A/D-convertere og dermed direkte ind i den valgte DAW.

Mix mode

Pulten kan sættes i mix mode ved at “LINE”/”UNBAL” omskifteren på hver kanal er aktiv, og at Ext A er inaktiv. Dette betyder, at kanalerne tager signal fra studiets D/A convertere, og at kanalernes preamps er inaktive.

I dette mode kan kanal 1-12 (DAW out 9-24) anvendes til at mixe line level signaler. Hver kanal føder post-fader ind i pultens Master bus 1/2 og/eller 3/4, hvorfra mixet kan indspilles tilbage til DAW som stereofil.

*Fordi pulten kan vælge input pr. kanal er snart sagt alle tænkelige kombinationer af ovenstående muligt. Det vil sige at man eksempelvis sagtens kan indspille 4 mic-signaler til DAW og mixe 12 kanaler fra DAW samtidig.

**Pultens stereokanaler har ikke direct outs, men kan i princippet alligevel bruges til at indspille 8 line-level signaler gennem de to Master busses og de to stereo sends henholdsvis. Som udgangspunkt anvendes de dog kun til at mixe.

Pulten i Continuity i Radiohuset
Pulten i Continuity i Radiohuset

Billeder af pulten da den stod i Continuity hos DR i Radiohuset 2002-2008.